| штат: | |
|---|---|
| Количество: | |
В современной конкурентной отрасли производства листового металла эффективность и гибкость напрямую влияют на прибыльность. Для предприятий, работающих с материалами различной толщины, гибочные прессы Multi-V (также называемые 4-ходовыми штампами) стали одним из наиболее ценных усовершенствований в современных операциях гибки.
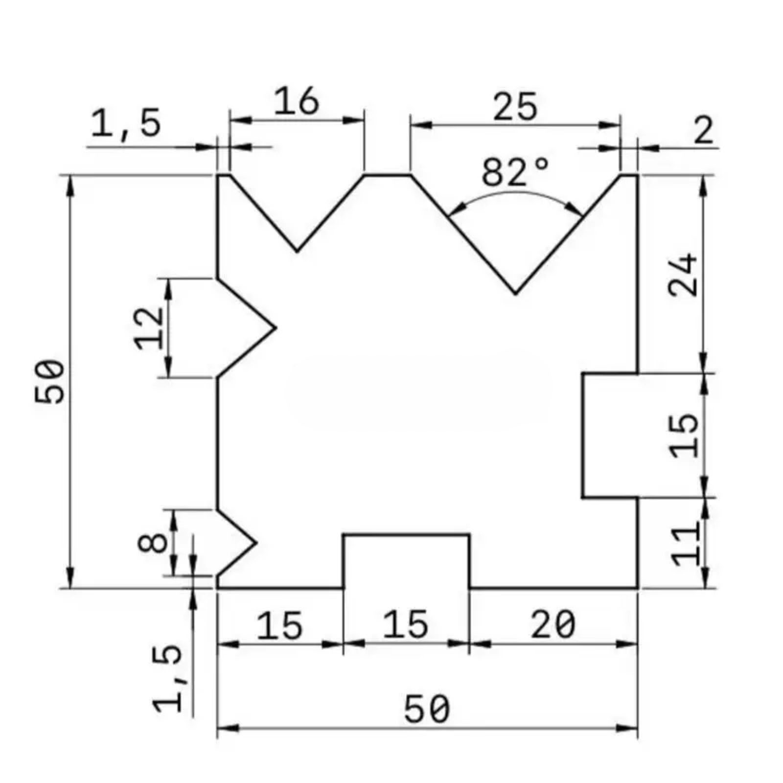
Матрица Multi-V — это прочный нижний блок матрицы с несколькими V-образными отверстиями разной ширины по четырем сторонам. Вместо того, чтобы заменять всю матрицу для различных работ по гибке, операторам нужно всего лишь вращать блок, чтобы изменить размер V. Это делает V Tooling гораздо более эффективным для мастерских, общего производства и крупнотоннажного производства.
Долговечность любой V-матрицы листогибочного пресса зависит от ее способности сопротивляться деформации под высоким давлением. Высококачественные матрицы Multi-V выкованы из хромомолибденовой стали 42CrMo, которая намного прочнее обычной стали. Благодаря индукционно закаленным рабочим поверхностям (HRC 47±3) эти матрицы сохраняют точные углы и стабильность даже после тысяч изгибов нержавеющей стали и высокопрочных материалов.
Просто вращая матрицу, вы можете переключаться между V-образными отверстиями, например 16 мм, 22 мм, 35 мм и 50 мм. Это значительно сокращает время переналадки по сравнению с традиционными матрицами с одним V-образным вырезом.
Один блок Multi-V заменяет четыре отдельных матрицы Single-V, освобождая важное место для хранения инструментов в вашей инструментальной комнате.
Для гибки материалов толщиной от 2 до 10 мм и толще в цехах один комплект инструментов Multi-V покрывает почти все общие требования к гибке, обеспечивая исключительную универсальность и долгосрочную ценность.
Ключевым преимуществом инструментов премиум-класса для штампов Press Brake V Die является прецизионная обработка радиуса входа. Гладкие, закаленные радиусы уменьшают трение, устраняют следы на поверхности и обеспечивают постоянный внутренний радиус изгиба. Это особенно важно для таких отраслей, как аэрокосмическая промышленность, электроника и производство высококачественных столярных изделий, где качество и точность имеют значение.
Содержите V-образные отверстия в чистоте от окалины и мусора во избежание абразивного износа.
Используйте смазочные материалы для изгиба, чтобы уменьшить трение и предотвратить истирание, особенно при работе с алюминием и оцинкованной сталью.
Никогда не превышайте рекомендуемый тоннаж для выбранного V-образного отверстия во избежание растрескивания или деформации.
: установлен на подвижном ползуне гибочной машины и является активным компонентом, оказывающим давление. Ее форма (стандартная прямая кромка, острый угол, «гусиная шейка», дуга и т. д.) определяет внешний контур изогнутой части заготовки;
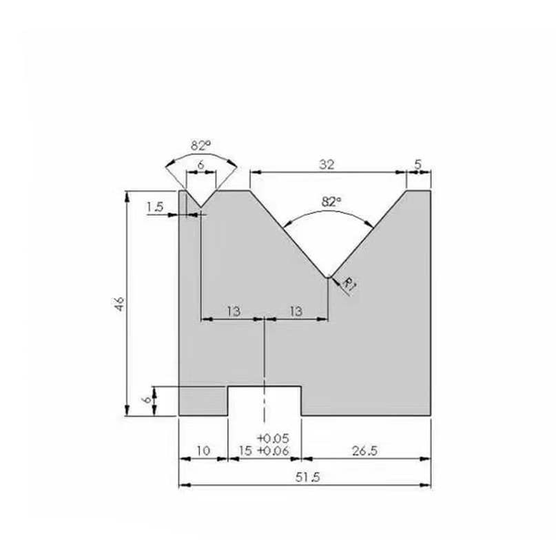
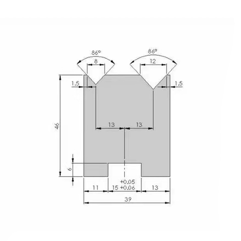
: закрепленный на верстаке гибочного станка, это фиксированный опорный компонент, в основном использующий V-образный паз (V-образный паз) в качестве своей конструкции. Ширина V-образной канавки напрямую влияет на силу изгиба, размер галтели и эффект формования листового металла;
: Металлический лист помещается на нижнюю матрицу, а ползунок приводит в движение верхнюю матрицу, прижимая ее вертикально. Лист вынужден соответствовать контурам верхней и нижней штампов и подвергается необратимой пластической деформации. После достижения заданного хода и давления гибка и формовка завершаются. После формовки верхняя матрица возвращается в исходное положение, и заготовку можно снять.
: Основным материалом является легированная конструкционная сталь (например, 42CrMo), обработанная такими процессами термообработки, как отпуск и закалка, обеспечивающая достаточную твердость (обычно HRC45-HRC50), несущую способность и износостойкость, позволяющую выдерживать огромную силу экструзии и трение во время процесса изгиба;
: В соответствии с различными требованиями к изгибу заготовки (угол, форма, размер, толщина материала) пуансону можно придать специальные формы, такие как дуга, гусиная шейка и неправильная форма, а матрица может быть обработана с V-образными канавками различной ширины (например, 8 мм, 16 мм, 24 мм) или специальными типами канавок;
: Характеристики формы (высота, тип хвостовика, установочный размер) должны полностью соответствовать системе зажима, ходу ползуна и номинальному тоннажу гибочной машины; размеры формовки должны соответствовать требованиям чертежа заготовки, чтобы обеспечить точность гибки и скорость прохода;
: Обычные формы для гибочных машин имеют общие стандартные характеристики (соответствуют распространенным маркам гибочных машин, таким как Amada, Trumpf и Wille), их можно приобрести и использовать напрямую; специальные формы могут быть изготовлены по индивидуальному заказу в соответствии с фактическими потребностями предприятия.
: Подходит для обычной гибки прямой кромки, наиболее широко используемой;
: Подходит для изгиба под небольшим углом или компенсации пружинения, отвечая потребностям высокоточной формовки острых углов;
: Подходит для U-образных канавок и обработки заготовок с глубокими каналами, что позволяет избежать уже изогнутых краев заготовки и предотвратить помехи;
: Подходит для дуговой гибки и гибки закругленных углов, например, дугообразных заготовок и обработки переходных закругленных углов;
: Изготавливается по специальным чертежам заготовок, подходит для гибки нестандартных форм.
: Подходит для обычных листового металла, таких как низкоуглеродистая и оцинкованная сталь, обеспечивая высокую экономическую эффективность;
: Утолщенная конструкция и материалы высокой твердости, подходят для трудно сгибаемых материалов, таких как нержавеющая сталь и пластины из высокопрочных сплавов;
: Прецизионная обработка предотвращает коробление, деформацию и появление царапин во время изгиба тонких материалов.
Тип Amada/Promecam: Совместим с системой зажима гибочных станков серии Amada;
Тип Trumpf/Wila: Совместим с системой зажима гибочных станков серий Trumpf и Wila;
Новый стандартный тип: универсальный интерфейс, подходящий для большинства бытовых гибочных станков.
Выбор подходящего инструмента листогибочного пресса имеет решающее значение для обеспечения точности гибки, эффективности производства и срока службы штампа.
Ключевыми моментами при выборе инструментов для листогибочного пресса являются соответствие характеристик материала, процессов гибки, требований к заготовкам и параметров оборудования, без которых невозможно обойтись. Следующие пять ключевых моментов охватывают все важные технические аспекты всего процесса выбора, обеспечивая как точность гибки, так и срок службы штампа. Новички могут напрямую обратиться к ним для точного выбора.
Выбор инструментов листогибочного пресса должен в первую очередь соответствовать характеристикам прочности на растяжение и упругости обрабатываемого материала, что является основой обеспечения точных углов гибки. Обычная мягкая сталь имеет минимальную упругую отдачу; при изгибе на 90° для компенсации можно использовать пуансон 86°~88°. Нержавеющая сталь и высокопрочная сталь имеют значительную упругую отдачу, поэтому требуется пуансон под углом 85° или целенаправленная регулировка угла пуансона, чтобы избежать угловых отклонений заготовки после гибки.
Толщина материала напрямую определяет условия нагрузки и изгибающий эффект штампа. Для тонких, средних и толстых материалов требуются соответствующие характеристики штампа, чтобы избежать повреждения штампа или дефектов формы заготовки, что соответствует потребностям поиска по ключевым словам с длинным хвостом, например «соответствие толщины материала и инструмента для листогибочного пресса» в Google. Обычно используемый материал для гибочного пресса — 42CrMo. После отпуска и поверхностной индукционной закалки его твердость обычно достигает 45–50 HRC. Он обладает превосходной прочностью и вязкостью, эффективно предотвращая разрушение под высоким давлением. Ниже приводится сравнительная таблица международных стандартов.
«Принцип 8x» — это основная отраслевая формула для выбора штампа гибочного станка: «Ширина V-образного паза нижней матрицы V = 8 × толщина материала T». Являясь стандартом оптимального выбора в идеальных условиях, он применим для гибки большинства листов средней толщины (3–8 мм), обеспечивая плавность изгиба галтелей и предотвращая растрескивание заготовки.
Не все материалы строго следуют принципу 8x; ширину V-образного выреза необходимо гибко регулировать в зависимости от толщины материала: для тонких пластин (T<3 мм) ее можно уменьшить до V=6T, чтобы получить меньший радиус скругления; для толстых листов (T>8 мм) его необходимо увеличить до V=10T~12T, чтобы уменьшить силу изгиба, предотвратить разрыв матрицы и растрескивание внутренней стороны заготовок.
При выборе обязательно убедиться, что матрица выдерживает фактическое выходное давление гибочной машины; перегрузка строго запрещена, так как это приведет к взрыву матрицы и повреждению оборудования. При расчете тоннажа давления необходимо учитывать толщину материала, прочность материала на разрыв и ширину V-образного паза нижней матрицы, а после точного расчета следует выбирать матрицу с соответствующей несущей способностью.
Фактический выходной тоннаж гибочной машины должен быть меньше номинальной несущей способности матрицы с определенным запасом прочности (рекомендуется 10–15%). Для гибки толстых листов и высокопрочной стали следует выбирать утолщенные или сегментированные матрицы, чтобы распределить изгибающее давление и продлить срок службы матрицы.
Форма пуансона должна идеально соответствовать окончательной форме заготовки, чтобы избежать помех и образования дефектов. Различные пуансоны соответствуют различным потребностям в гибке: стандартные пуансоны подходят для обычной прямой гибки и имеют самое широкое применение; пуансоны с острыми углами подходят для малоуглового изгиба или компенсации пружинения; Пуансоны с гусиной шеей подходят для обработки П-образных пазов и глубоких каналов, так как позволяют избежать уже загнутых кромок заготовки.
Для заготовок круглой или неправильной формы следует выбирать дуговые пуансоны или специальные пуансоны неправильной формы. В сочетании с точными чертежами заготовки контур штампа должен полностью соответствовать заготовке, чтобы обеспечить точность гибки.
Страна/стандартная организация | Стандартный код | Соответствующий класс |
Китай (Великобритания) | ГБ/Т 3077 | 42CrMo или 42CrMo4 |
США (AISI/ASTM) | АСТМ А29 | 4140 |
Международная организация по стандартизации (ISO) | ИСО 683-1 | 42CrMo4 |
Германия (ДИН) | DIN EN 10083 | 1,7225 (или 42CrMo4) |
Япония (JIS) | ДЖИС Г4105 | СКМ440 |
Великобритания (БС) | БС 970 | 708М40 (ЭН19) |







В современной конкурентной отрасли производства листового металла эффективность и гибкость напрямую влияют на прибыльность. Для предприятий, работающих с материалами различной толщины, гибочные прессы Multi-V (также называемые 4-ходовыми штампами) стали одним из наиболее ценных усовершенствований в современных операциях гибки.
Матрица Multi-V — это прочный нижний блок матрицы с несколькими V-образными отверстиями разной ширины по четырем сторонам. Вместо того, чтобы заменять всю матрицу для различных работ по гибке, операторам нужно всего лишь вращать блок, чтобы изменить размер V. Это делает V Tooling гораздо более эффективным для мастерских, общего производства и крупнотоннажного производства.
Долговечность любой V-матрицы листогибочного пресса зависит от ее способности сопротивляться деформации под высоким давлением. Высококачественные матрицы Multi-V выкованы из хромомолибденовой стали 42CrMo, которая намного прочнее обычной стали. Благодаря индукционно закаленным рабочим поверхностям (HRC 47±3) эти матрицы сохраняют точные углы и стабильность даже после тысяч изгибов нержавеющей стали и высокопрочных материалов.
Просто вращая матрицу, вы можете переключаться между V-образными отверстиями, например 16 мм, 22 мм, 35 мм и 50 мм. Это значительно сокращает время переналадки по сравнению с традиционными матрицами с одним V-образным вырезом.
Один блок Multi-V заменяет четыре отдельных матрицы Single-V, освобождая важное место для хранения инструментов в вашей инструментальной комнате.
Для гибки материалов толщиной от 2 до 10 мм и толще в цехах один комплект инструментов Multi-V покрывает почти все общие требования к гибке, обеспечивая исключительную универсальность и долгосрочную ценность.
Ключевым преимуществом инструментов премиум-класса для штампов Press Brake V Die является прецизионная обработка радиуса входа. Гладкие, закаленные радиусы уменьшают трение, устраняют следы на поверхности и обеспечивают постоянный внутренний радиус изгиба. Это особенно важно для таких отраслей, как аэрокосмическая промышленность, электроника и производство высококачественных столярных изделий, где качество и точность имеют значение.
Содержите V-образные отверстия в чистоте от окалины и мусора во избежание абразивного износа.
Используйте смазочные материалы для изгиба, чтобы уменьшить трение и предотвратить истирание, особенно при работе с алюминием и оцинкованной сталью.
Никогда не превышайте рекомендуемый тоннаж для выбранного V-образного отверстия во избежание растрескивания или деформации.
: установлен на подвижном ползуне гибочной машины и является активным компонентом, оказывающим давление. Ее форма (стандартная прямая кромка, острый угол, «гусиная шейка», дуга и т. д.) определяет внешний контур изогнутой части заготовки;
: закрепленный на верстаке гибочного станка, это фиксированный опорный компонент, в основном использующий V-образный паз (V-образный паз) в качестве своей конструкции. Ширина V-образной канавки напрямую влияет на силу изгиба, размер галтели и эффект формования листового металла;
: Металлический лист помещается на нижнюю матрицу, а ползунок приводит в движение верхнюю матрицу, прижимая ее вертикально. Лист вынужден соответствовать контурам верхней и нижней штампов и подвергается необратимой пластической деформации. После достижения заданного хода и давления гибка и формовка завершаются. После формовки верхняя матрица возвращается в исходное положение, и заготовку можно снять.
: Основным материалом является легированная конструкционная сталь (например, 42CrMo), обработанная такими процессами термообработки, как отпуск и закалка, обеспечивающая достаточную твердость (обычно HRC45-HRC50), несущую способность и износостойкость, позволяющую выдерживать огромную силу экструзии и трение во время процесса изгиба;
: В соответствии с различными требованиями к изгибу заготовки (угол, форма, размер, толщина материала) пуансону можно придать специальные формы, такие как дуга, гусиная шейка и неправильная форма, а матрица может быть обработана с V-образными канавками различной ширины (например, 8 мм, 16 мм, 24 мм) или специальными типами канавок;
: Характеристики формы (высота, тип хвостовика, установочный размер) должны полностью соответствовать системе зажима, ходу ползуна и номинальному тоннажу гибочной машины; размеры формовки должны соответствовать требованиям чертежа заготовки, чтобы обеспечить точность гибки и скорость прохода;
: Обычные формы для гибочных машин имеют общие стандартные характеристики (соответствуют распространенным маркам гибочных машин, таким как Amada, Trumpf и Wille), их можно приобрести и использовать напрямую; специальные формы могут быть изготовлены по индивидуальному заказу в соответствии с фактическими потребностями предприятия.
: Подходит для обычной гибки прямой кромки, наиболее широко используемой;
: Подходит для изгиба под небольшим углом или компенсации пружинения, отвечая потребностям высокоточной формовки острых углов;
: Подходит для U-образных канавок и обработки заготовок с глубокими каналами, что позволяет избежать уже изогнутых краев заготовки и предотвратить помехи;
: Подходит для дуговой гибки и гибки закругленных углов, например, дугообразных заготовок и обработки переходных закругленных углов;
: Изготавливается по специальным чертежам заготовок, подходит для гибки нестандартных форм.
: Подходит для обычных листового металла, таких как низкоуглеродистая и оцинкованная сталь, обеспечивая высокую экономическую эффективность;
: Утолщенная конструкция и материалы высокой твердости, подходят для трудно сгибаемых материалов, таких как нержавеющая сталь и пластины из высокопрочных сплавов;
: Прецизионная обработка предотвращает коробление, деформацию и появление царапин во время изгиба тонких материалов.
Тип Amada/Promecam: Совместим с системой зажима гибочных станков серии Amada;
Тип Trumpf/Wila: Совместим с системой зажима гибочных станков серий Trumpf и Wila;
Новый стандартный тип: универсальный интерфейс, подходящий для большинства бытовых гибочных станков.
Выбор подходящего инструмента листогибочного пресса имеет решающее значение для обеспечения точности гибки, эффективности производства и срока службы штампа.
Ключевыми моментами при выборе инструментов для листогибочного пресса являются соответствие характеристик материала, процессов гибки, требований к заготовкам и параметров оборудования, без которых невозможно обойтись. Следующие пять ключевых моментов охватывают все важные технические аспекты всего процесса выбора, обеспечивая как точность гибки, так и срок службы штампа. Новички могут напрямую обратиться к ним для точного выбора.
Выбор инструментов листогибочного пресса должен в первую очередь соответствовать характеристикам прочности на растяжение и упругости обрабатываемого материала, что является основой обеспечения точных углов гибки. Обычная мягкая сталь имеет минимальную упругую отдачу; при изгибе на 90° для компенсации можно использовать пуансон 86°~88°. Нержавеющая сталь и высокопрочная сталь имеют значительную упругую отдачу, поэтому требуется пуансон под углом 85° или целенаправленная регулировка угла пуансона, чтобы избежать угловых отклонений заготовки после гибки.
Толщина материала напрямую определяет условия нагрузки и изгибающий эффект штампа. Для тонких, средних и толстых материалов требуются соответствующие характеристики штампа, чтобы избежать повреждения штампа или дефектов формы заготовки, что соответствует потребностям поиска по ключевым словам с длинным хвостом, например «соответствие толщины материала и инструмента для листогибочного пресса» в Google. Обычно используемый материал для гибочного пресса — 42CrMo. После отпуска и поверхностной индукционной закалки его твердость обычно достигает 45–50 HRC. Он обладает превосходной прочностью и вязкостью, эффективно предотвращая разрушение под высоким давлением. Ниже приводится сравнительная таблица международных стандартов.
«Принцип 8x» — это основная отраслевая формула для выбора штампа гибочного станка: «Ширина V-образного паза нижней матрицы V = 8 × толщина материала T». Являясь стандартом оптимального выбора в идеальных условиях, он применим для гибки большинства листов средней толщины (3–8 мм), обеспечивая плавность изгиба галтелей и предотвращая растрескивание заготовки.
Не все материалы строго следуют принципу 8x; ширину V-образного выреза необходимо гибко регулировать в зависимости от толщины материала: для тонких пластин (T<3 мм) ее можно уменьшить до V=6T, чтобы получить меньший радиус скругления; для толстых листов (T>8 мм) его необходимо увеличить до V=10T~12T, чтобы уменьшить силу изгиба, предотвратить разрыв матрицы и растрескивание внутренней стороны заготовок.
При выборе обязательно убедиться, что матрица выдерживает фактическое выходное давление гибочной машины; перегрузка строго запрещена, так как это приведет к взрыву матрицы и повреждению оборудования. При расчете тоннажа давления необходимо учитывать толщину материала, прочность материала на разрыв и ширину V-образного паза нижней матрицы, а после точного расчета следует выбирать матрицу с соответствующей несущей способностью.
Фактический выходной тоннаж гибочной машины должен быть меньше номинальной несущей способности матрицы с определенным запасом прочности (рекомендуется 10–15%). Для гибки толстых листов и высокопрочной стали следует выбирать утолщенные или сегментированные матрицы, чтобы распределить изгибающее давление и продлить срок службы матрицы.
Форма пуансона должна идеально соответствовать окончательной форме заготовки, чтобы избежать помех и образования дефектов. Различные пуансоны соответствуют различным потребностям в гибке: стандартные пуансоны подходят для обычной прямой гибки и имеют самое широкое применение; пуансоны с острыми углами подходят для малоуглового изгиба или компенсации пружинения; Пуансоны с гусиной шеей подходят для обработки П-образных пазов и глубоких каналов, так как позволяют избежать уже загнутых кромок заготовки.
Для заготовок круглой или неправильной формы следует выбирать дуговые пуансоны или специальные пуансоны неправильной формы. В сочетании с точными чертежами заготовки контур штампа должен полностью соответствовать заготовке, чтобы обеспечить точность гибки.
Страна/стандартная организация | Стандартный код | Соответствующий класс |
Китай (Великобритания) | ГБ/Т 3077 | 42CrMo или 42CrMo4 |
США (AISI/ASTM) | АСТМ А29 | 4140 |
Международная организация по стандартизации (ISO) | ИСО 683-1 | 42CrMo4 |
Германия (ДИН) | DIN EN 10083 | 1,7225 (или 42CrMo4) |
Япония (JIS) | ДЖИС Г4105 | СКМ440 |
Великобритания (БС) | БС 970 | 708М40 (ЭН19) |







